SHOPPING CART

/Products/WILWOOD (WIL)/BRAKE CALIPERS/BILLET NARROW DYNALITE RADIAL MOUNT
Click Image to Expand

BILLET NARROW DYNALITE RADIAL MOUNT

Product ID: WIL120-13405-SI

Selected accessories will also be added to cart
$369.69 / EA
Quantity:
NUMBER OF PISTON: 4
PISTON SIZE: 1.75"
MOUNT CENTER: 4.75"
ROTOR WIDTH: .38"
SIDE INLET
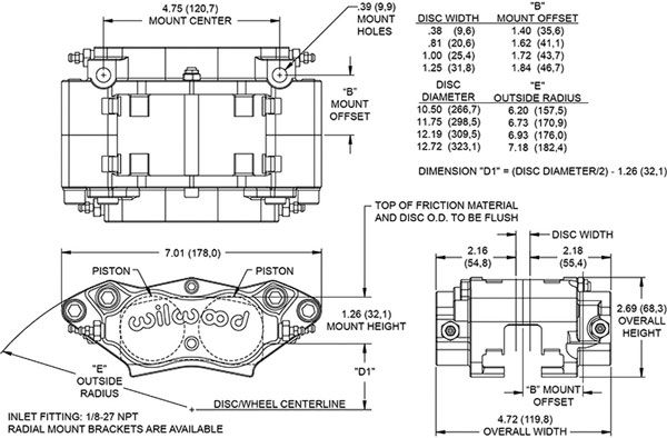
Billet Narrow Dynalite Radial Mount

Wilwood's venerable DynaLite calipers are used in all forms of racing, and the latest Billet Narrow Dynalite Radial Mount (NDLR) series are better than ever. Starting at just 3.20 pounds, this compact and lightweight caliper now incorporates a more rigid radial mount design. Engineered with a spacer-less body specifically for .38”, .810” and 1.00" width rotors and a center bridge bolt adding to overall caliper strength and positive retention of the top-loaded pads. A durable aluminum-oxide ceramic Mil-Spec Type III hard-anodized finish further enhances the durability of the caliper by resisting bore wear and surface abrasion.

Billet NDLR calipers can be directly mounted over studs on a 4.75" center, or used with a radial mount bracket kit in place of a tab-mount caliper. Internal damping springs, internal fluid crossover, controlled retraction in-bore seals, and 3/8” cross bolts for added strength and rigidity all adds up to consistent pedal feel from start to finish. Uses type 7816 brake pads with many Wilwood compound options to fine-tune your driving style and track conditions.

The Billet NDLR caliper is a compact, lightweight, and rugged caliper that provides strong clamping force from four stainless cup pistons. The bodies are fully CNC machined from billet with internal fluid ports that eliminate external fluid tubes. Each caliper is equipped with two corner bleeds and outboard inlets in the correct location for a standard Inboard mount. The bridges are equipped with stainless steel anti-rattle wear plates. These plates reduce bridge wear and provide smooth, rattle free operation of the pads. A center bridge bolt adds overall caliper strength and positive retention of the top loaded pads.

All Billet NDLR calipers are designed for long service using the 0.63” (16,0 mm) thick 7816 style brake pads. These pads are available in many different PolyMatrix compounds to provide the correct brake torque and heat range for any high performance or competition application. Radial mount bracket kits are used to install a radial mount caliper in place of a tab mount caliper. Brackets are available for both Sprint and Midget Inboard and Dirt Late Model applications for various rotor diameters.

For retail sales in the USA call:

  • 716-285-7502
                  OP#2

  • administrator@bicknellracingproducts.com
  • Monday-Thursday:
  • 8:30am - 5:30pm
  • Friday: 8:30am - 4:30pm
  • Saturday: 9am - 12pm
  • (OPEN SATURDAY ALL YEAR)

1733 Maryland Ave Niagara Falls, NY 14305

For technical support
call:

  • 905- 685-4291
                  OP#3

  • administrator@bicknellracingproducts.com
  • Monday - Thursday: 8am - 5:30pm
  • Friday: 8:00am - 5:00pm
  • Saturday: CLOSED
  • (OPEN SATURDAY JAN.-OCT. ONLY)

117 Cushman Rd St. Catharines, Ontario L2M 6S9

For retail sales in Canada call:

  • 905-685-7223
                  OP#1

  • administrator@bicknellracingproducts.com
  • Monday - Thursday: 8am - 5:30pm
  • Friday: 8:00am - 4:30pm
  • Saturday: CLOSED FOR WINTER


117 Cushman Rd St. Catharines, Ontario L2M 6S9

© Bicknell Racing Products

eCommerce website designed and powered by Koble IP lookup by db-ip.com